| 技术参数 | |
| 测量行程 | 0-4000mm |
| 轮毂周长 | 250mm |
| 出口拉力 | 8-10N |
| 最大往返速度 | 2000mm/s |
| 钢丝绳 | 0.6mm高柔性,进口涂塑 |
| 外壳材质 | 铝合金,表面阳极氧化,耐磨抗腐蚀 |
| 工作温度 | -25℃~+85℃ |
| 防护等级 | Ip54(标准) |
| 使用寿命 | 大于200万次 |
| 输出信号 | 0-5K/0-10K/0-5V/0-10V-4-20mA |
| 工作电压 | 5V±5%/5-26V±5%/8-30V±5% |
| 零点满度 | 可调 |
| 分辨力 | 无限小 |
| 线性精度 | 0.05%FS |
| 重复精度 | 0.01% |
| 往复频率 | 20Hz(视往复振幅) |
| 抗震动 | 10Hz-1500Hz,10G |
| 重量(不含线) | 900g |
▎机械图纸

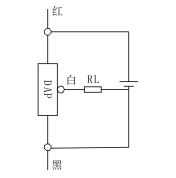
▎接线表
|
![]() |
|
电阻输出(R) |
二进制电流输出(A) |
三进制电压输出(V) |
|
线 色 |
红 |
黑 |
白 |
|
输出形式 |
0-5K/0-10K |
VCC |
0V |
输出信号 |
4-20mA |
VCC |
输出信号 |
N/A |
|
0-5V/0-10V |
VCC |
0V |
输出信号 |
|